Sigma-Delta-Umsetzer für die Messtechnik
In letzter Zeit hört man immer wieder von Sigma-Delta-Umsetzern bei messtechnischen Anwendungen. In vielen Geräten und Systemen bei imc (CRONOS PL, CANSAS,...) werden diese Umsetzer standardmäßig eingesetzt. Wie funktionieren solche Umsetzer, weshalb steigt Ihre Bedeutung so rasant und was für welche Vorteile werden dem Messtechnikanwender damit geboten? Dieses White-Paper geht auf diese Fragestellung ein und gibt Antworten auf diese Fragen.
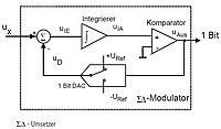
Der Sigma-Delta-Umsetzer hat sich im Anwendungsbereich der Audiotechnik durchgesetzt und dringt derzeit auch auf das Gebiet der Messtechnik vor. Speziell bei intelligenten Messsystemen ist dieses Umsetzverfahren das am meisten favorisierte Verfahren. Mit ihm lassen sich hohe Auflösungen und sehr gute Signal-Rausch-Verhältnisse (SNR = signal to noise ratio) erreichen. Um gleich am Anfang den Hauptvorteil beim Einsatz in der Messtechnik zu nennen: das Antialiasingfilter...
Das vollständige White Paper finden Sie als Download am rechten Rand.
